Obsah fóra checksum.cz
Obsah fóra checksum.cz  »  Benzín  »  Pinout Denso Suzuki Jimny 1.3 59kw
 Přidat nové téma   Zaslat odpověď
Strana 1 z 1    

Pinout Denso Suzuki Jimny 1.3 59kw

Autor Zpráva
eazy20
Zaslal: čt březen 17, 2022 19:57 pm Citovat
Založen: 1.4.2009 Příspěvky: 575 Bydliště: Košice Prešov Regensburg
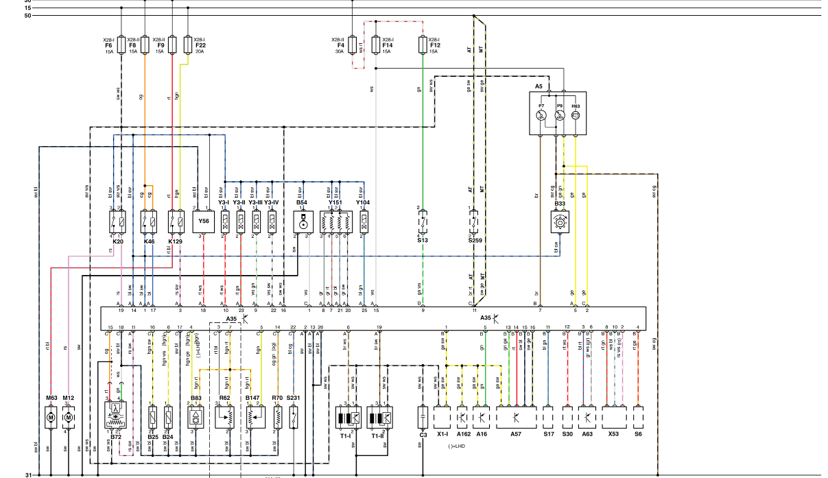
Nemate niekto pinout pre tuto ecu? Denso 33920-81A2
pinout nemusi byt komplet, iba na zapojenie na stole
Zobrazit informace o autorovi Odeslat soukromou zprávu
maros4341
Zaslal: pá březen 18, 2022 21:27 pm Citovat
Založen: 23.2.2007 Příspěvky: 711 Bydliště: Michalovce,SK
snad som sa trafil



jimny 59kw.PNG
 Komentář:
 Velikost:  148.76 kB
 Zobrazeno:  1795 krát

jimny 59kw.PNG



_________________
maros
Rozumieme Vášmu autu
Zobrazit informace o autorovi Odeslat soukromou zprávu Odeslat e-mail
eazy20
Zaslal: čt březen 24, 2022 17:47 pm Citovat
Založen: 1.4.2009 Příspěvky: 575 Bydliště: Košice Prešov Regensburg
Dakujem
Zobrazit informace o autorovi Odeslat soukromou zprávu
 
Přidat nové téma   Zaslat odpověď
Strana 1 z 1    
Časy uváděny v GMT + 1 hodina
Právě je ne prosinec 28, 2025 15:37 pm
Nemůžete odesílat nové téma do tohoto fóra.
Nemůžete odpovídat na témata v tomto fóru.
Nemůžete upravovat své příspěvky v tomto fóru.
Nemůžete mazat své příspěvky v tomto fóru.
Nemůžete hlasovat v tomto fóru.
Můžeš k příspěvkům připojovat soubory
Můžeš stahovat a prohlížet přiložené soubory
 
    DIESELPOWER s.r.o.   Motordiag.cz   Checksumm.com   LogView prohlížeč logů   DIESELPOWER forum  
TOPlist
Copyright (c) 2007 CHECKSUM.CZ. Vsechna prava vyhrazena.